Category Archives: Tài liệu vải địa kỹ thuật

TCVN 8871-4:2011 vải địa kỹ thuật – phương pháp thử – phần 4: xác định lực kháng xuyên thủng thanh

TIÊU CHUẨN QUỐC GIA TCVN 8871-4:2011 vải địa kỹ thuật - phương pháp thử - [...]

TCVN 8222:2009 vải địa kỹ thuật − qui định chung về lấy mẫu, thử mẫu và xử lý thống kê

TCVN 8222:2009 vải địa kỹ thuật − qui định chung về lấy mẫu, thử mẫu [...]

TCVN 8484:2010 vải địa kỹ thuật – phương pháp xác định sức bền kháng thủng bằng phép thử rơi côn

TCVN 8484:2010 vải địa kỹ thuật – phương pháp xác định sức bền kháng thủng [...]

TCVN 8486:2010 vải địa kỹ thuật – phương pháp xác định kích thước lỗ lọc bằng thép thử sàng ướt

TCVN 8486 : 2010 vải địa kỹ thuật – phương pháp xác định kích thước [...]

TCVN 8221:2009 vải địa kỹ thuật − phương pháp xác định khối lượng trên đơn vị diện tích

TCVN 8221:2009 vải địa kỹ thuật − phương pháp xác định khối lượng trên đơn [...]

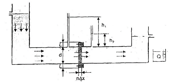
TCVN 8487:2010 vải địa kỹ thuật – phương pháp xác định độ thấm xuyên

TCVN 8487:2010 do Viện Khoa học Thủy lợi Việt Nam biên soạn, Bộ Nông nghiệp [...]

TCVN 8220:2009 vải địa kỹ thuật − phương pháp xác định độ dày danh định

TCVN 8220:2009 vải địa kỹ thuật − phương pháp xác định độ dày danh định

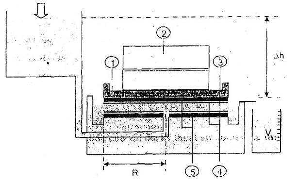
TCVN 8483:2010 vải địa kỹ thuật – phương pháp xác định độ dẫn nước

TCVN 8483 : 2010 được chuyển đổi từ 14 TCN 98 – 1996 theo quy [...]

TCVN 8485:2010 vải địa kỹ thuật – phương pháp xác định cường độ chịu kéo và độ giãn dài

TCVN 8485 : 2010 được chuyển đổi từ 14 TCN 95 -1996 theo quy định [...]

Vải địa kỹ thuật cần thí nghiệm lực kháng thủng không? – Khám Phá Tầm Quan Trọng và Ứng Dụng Thiết Thực

Vải địa kỹ thuật cần thí nghiệm lực kháng thủng không? Đây là một câu [...]

Khi nào cần thí nghiệm độ thấm vải địa kỹ thuật để đảm bảo chất lượng công trình?

Khi nào cần thí nghiệm độ thấm vải địa kỹ thuật? Đây là câu hỏi [...]

Vải địa kỹ thuật có cần kiểm tra lực kéo không? – Phân tích và Tầm quan trọng trong xây dựng

Vải địa kỹ thuật có cần kiểm tra lực kéo không? Đây là câu hỏi [...]

Phương pháp thử vải địa kỹ thuật theo tiêu chuẩn nào? – Tìm hiểu chi tiết các phương pháp thử nghiệm hiện đại

Phương pháp thử vải địa kỹ thuật theo tiêu chuẩn nào? Đây là câu hỏi [...]

Tính toán lớp vải địa kỹ thuật không dệt trong móng đường – Giải pháp tối ưu cho công trình bền vững

Tính toán lớp vải địa kỹ thuật không dệt trong móng đường là một yếu [...]

Khả Năng Chống Biến Dạng Lâu Dài Của Vải Địa Kỹ Thuật Không Dệt – Tầm Quan Trọng Trong Xây Dựng Bền Vững

Khả năng chống biến dạng lâu dài của vải địa kỹ thuật không dệt là [...]

Gọi Mr Vương